EVAP line
Moderator: Mikewire
EVAP line
Alright so I bought my 03 GTI about a month ago and for some reason whoever had the car before me (I'm guessing) put an aftermarket fuel pump in my car, I know it was replaced for sure, but inside under the backseat it smells like fuel and more recently than that the check engine light came on. Well I went to my mechanic and he plugged in then told me the code was for my evap line. Well I don't even know where to start looking on that. He said it may be split or something. So I was curious if anyone could tell me where it starts/ends or if there is a diagram for it. Any help would be appreciated because I'm not too partial to the smell of gasoline.
- kompressorgolf
- Moderator

- Posts: 3533
- Joined: Dec Sun 17, 2006 10:39 pm
- Vehicles: 86 audi SQ, b3 coupe Quattro, 92 urs4
- Location: bozeman
Re: EVAP line
if your getting vapor smells from the back, there is probably a line running to the tank tank that either snapped or popped off, pull the seat cushion (bottom) take of that panel under the seat, and there will be i think two lines, check there, as well as underneath the car. hope that helps, and welcome to the forum
68 bug daily 78 16vt bunny in the works updates soon***********************
- vrtpassat
- In the drivers seat...

- Posts: 594
- Joined: Apr Wed 02, 2008 5:09 pm
- Vehicles: 93 passat glx twin gt30's in the works
- Location: the zoo
Re: EVAP line
mk3's and mk4's have a senser in the evap line in the engine bay and the line for evap runs from the charkal can to the return on the fuil pump back in to the tank i see you are in the zoo give me a call and come buy we can figure it out my number is 721-3927 
i can't spell but if you stare at it long enuff it looks like a hiden vr6
Re: EVAP line
Yeah I have pulled up the seat and checked under that cover but thats on the passenger side of the vehicle. The smell is more potent from the drivers side under the seat. Its actually weird it looks like they screwed something in and tried to tar over it to cover the smell. Well I think gas is getting on it because that tar rubs off and thats a pretty good indication gas is all up on there. Im guessing they screwed it into the gas tank incidentally?! For what reason........? But I will call you tomorrow, if thats alright with you. My name is Julian by the way.
- Mikewire
- Site Admin

- Posts: 4091
- Joined: Oct Thu 20, 2005 1:23 am
- Vehicles: Air and Water
- Location: San Antonio, TX
- Contact:
Re: EVAP line
Hey Julian, welcome.
kompressorgolf said it, but I'll say it too...you'll have one feed and two return lines, and all three run under the passengers side. You'll be able to tell the feed line from the return lines because it feeds the filter, then goes up to the engine bay. One return line feeds back to the tank, and the other goes back to the evap valve at the top of the tank filler tube like John said (vrtpassat). I'll see if I can find an illustration, but I would inspect each line and see if there is a split, tear, or maybe one of the connectors is bad or not fully clipped in.
I'd also like to know that code so I can look it up and give you the diagnosis of the problem. If you can get it, post it up.
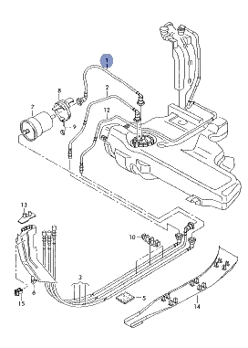
Here's a decent diagram for the fuel lines and tank - #1 is the feed line.

kompressorgolf said it, but I'll say it too...you'll have one feed and two return lines, and all three run under the passengers side. You'll be able to tell the feed line from the return lines because it feeds the filter, then goes up to the engine bay. One return line feeds back to the tank, and the other goes back to the evap valve at the top of the tank filler tube like John said (vrtpassat). I'll see if I can find an illustration, but I would inspect each line and see if there is a split, tear, or maybe one of the connectors is bad or not fully clipped in.
I'd also like to know that code so I can look it up and give you the diagnosis of the problem. If you can get it, post it up.
Here's a decent diagram for the fuel lines and tank - #1 is the feed line.

2015 Porsche Macan S
2021 VW Atlas SEL Premium 4-Motion
1972 VW Kombi 9 Passenger Deluxe w/ 2.0L F.I. VWAC
1965 VW Beetle
FAQ | Forum rules
- Darkside
- Euro Addict!!!

- Posts: 1161
- Joined: Aug Sat 23, 2008 8:23 pm
- Vehicles: 97' Jetta VR6
85' Golf 8v - Location: Buildings
- Contact:
Re: EVAP line
props to mikesquire for the ill illustration
J dizzle thrizzle
P.S. he hand drew that
J dizzle thrizzle
P.S. he hand drew that
MKIII VR6 MKII 8v
- Mikewire
- Site Admin

- Posts: 4091
- Joined: Oct Thu 20, 2005 1:23 am
- Vehicles: Air and Water
- Location: San Antonio, TX
- Contact:
Re: EVAP line
bwaah, use your own account fawker!! lol.
2015 Porsche Macan S
2021 VW Atlas SEL Premium 4-Motion
1972 VW Kombi 9 Passenger Deluxe w/ 2.0L F.I. VWAC
1965 VW Beetle
FAQ | Forum rules
- sneakyboy1
- Euro Addict!!!

- Posts: 2344
- Joined: Jan Wed 09, 2008 1:30 am
- Vehicles: 03 B6 A4 3.0 6MT
63 VW Bug
83 GTI
83 CJ7 - Location: Missoula, MT
- Contact:
Re: EVAP line
Hey Julian, are you the guy I left a card on at the Safeway parking lot?
You can also give me a call if you want. I live just 2 blocks from Safeway.
370-1859.....txt me first. I never answer the phone if I don't know who it is!
You can also give me a call if you want. I live just 2 blocks from Safeway.
370-1859.....txt me first. I never answer the phone if I don't know who it is!
"Confucious Say: Man who have dubs in driveway walk out of house in morning with smile, but then move around two dubs to leave." JD3
- Rennwagen1
- The Dubfather

- Posts: 4166
- Joined: Nov Mon 06, 2006 5:21 pm
- Vehicles: 84 GTI, 97 GLX, 04 Touareg V6
- Location: ZooTown Represent!
Re: EVAP line
I like you. You funny!JD3 wrote:P.S. he hand drew that
Jd3 wrote:Once again I was slangin rocks and pimpin bitches. Got a degree from the streets. Listen to the song regulate by warren g. I wrote it.
Captain Pajama SharkMikeWire wrote:Vanilla Ice > Depeche Mode.
99% Awesome 100% of the time!!
1.8/2.8/3.2 OEM+
You can pay for school, but you can't buy class!

- vrtpassat
- In the drivers seat...

- Posts: 594
- Joined: Apr Wed 02, 2008 5:09 pm
- Vehicles: 93 passat glx twin gt30's in the works
- Location: the zoo
Re: EVAP line
there might be something else going on here the fuil shut off at the top of the neck or on top of the tank might be broke and the evap sencer is just throing a code but not related to the gas leaking and smell call me when ever and we will put it in the air and ter it down and find out what is going on and i might even have what is needed to fix it let me no 
i can't spell but if you stare at it long enuff it looks like a hiden vr6

